一、電子互感器用金屬箔采樣電阻:
該采樣電阻采用半導體工藝,無感設計,無熱點,耐沖擊能力強,光刻制作,
在-30°C到120°C范圍內,溫度系數在±5PPM內,線性好,體積小。廣泛使用在智能電網一二次融合電子互感器領域。阻值范圍0.1R-40R,精度B級。產品分兩線和四線制兩種。沖擊功率可達450W.
二、產品照片:


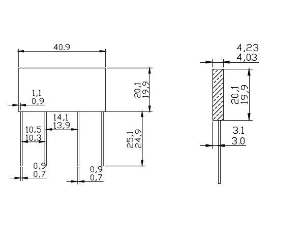
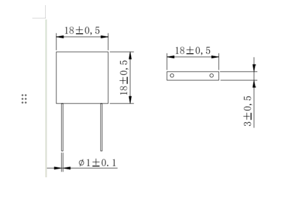
三、產品尺寸圖:


電子互感器 用金屬箔采樣電阻
| 上一條:RNG6040 金屬箔采樣電阻 | 下一條:RNG-1其他封裝形式 |








